PMBus-Compliant Step-Down DC/DC Module Delivers Higher Output Current
Contributed By Electronic Products
2015-09-16
Besides driving up the number of voltage rails on system boards, the latest FPGAs and microprocessors are also demanding higher output current from the compact power supply packages used for powering them. Managing this complexity on a system board is beyond the capability of the traditional analog-based integrated power supply solutions. This complexity requires a higher level of system intelligence and advanced digital-power-management capability, including telemetry and system monitoring, to ensure nearly 100% uptime. According to analysts, the economic impact of a telecom system or a router going down is very high. For instance, if a telecom system or a router is not operating due to a power supply malfunctioning, online purchases from Internet retailers can be lost during transmission, making downtime a costly affair for retailers.
To meet these market needs Intersil has readied a 50 A fully-encapsulated digital DC/DC power module that is PMBus compliant. Labeled ISL8272M, it is a complete step-down DC/DC converter module that delivers 50 A of output current at voltages that can vary from 0.6 V to 5.0 V with an input voltage range of 4.5 V to 14 V. In other words, it is designed to deliver higher output current from a compact package using industry-standard 12 V or 5 V input rails. In reality, it expands on the previous 25 A ISL8270M and 33 A ISL8271M digital-power modules, giving users an easy migration path to higher-current power modules in compact packages with wide-operating-temperature range.
Integrated module
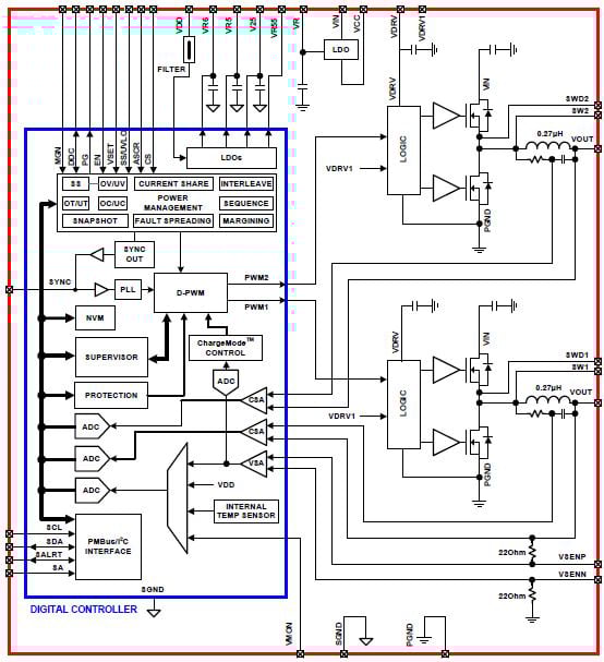
Integrated in this module are a high-performance digital PWM controller, dual-phase power MOSFETs, inductors, and passives as shown in Figure 1. The dual-phase architecture combined with high-performance MOSFETs, proprietary inductor design, and optimized package helps the DC/DC module deliver up to 50 A from a single compact package with high-power conversion efficiency. According to Jian Yin, senior applications engineering manager for Industrial Power Products at Intersil, the ISL8272M combines unique technologies and component selection to achieve a 50 A output current capability in a compact form factor. Said Yin: “High-performance FETs, proprietary inductor design, optimized package structure, and excellent thermal dissipation contribute to lowering the conduction, switching, and core losses of the device and allow the ISL8272M to deliver its full 50 A output current over a wide-operating-temperature range without requiring any air flow.”

Figure 1: ISL8272M is a 50 A digital DC/DC module that combines a high-performance digital PWM controller, dual-phase power MOSFETs, inductors, and passives in a compact overmolded HAD package.
Besides higher output current, the module is also capable of delivering power with 96% peak conversion efficiency (Figure 2). Yin attributes this high-conversion performance to the DC/DC module’s dual-phase inductor, which has a proprietary design utilizing 3D-integration technology. In this design, two windings are built on a single core such that the magnetic flux of the two windings are partially cancelled, thus reducing both the inductor size and core loss, Yin said.

Figure 2: Efficiency versus output current at VIN = 9 V and 300 kHz switching frequency for a variety of output voltages.
It is observed that as the step-down conversion ratio (VIN/VOUT) goes higher, the conversion efficiency begins to drop. Consequently, it offers peak performance of about 96% when the output voltage is 5 V for input voltage of 9 V. It drops to around 90% when the output is 1 V for input of 9 V. Additionally, the efficiency remains high from low- to full-load.
Another major contributor to high performance is the company’s proprietary overmolded high-density array (HDA) package, which offers an unprecedented combination of thermal and electrical performance. For excellent thermal conductivity, it uses a single-layer conductive package substrate as illustrated in Figure 3. The HDA-based power module achieves outstanding thermal conductivity, mostly dissipating the heat through the system board. “This exposed Au-plated copper die-pad technology offers not only excellent thermal performance but also excellent electrical characteristics by providing a reduced lead inductance and both perimeter and in-board I/O pins resulting in easy-to-route PCB traces as well as simple pinouts,” noted Yin. These features make the HDA-packaged point-of-load (POL) module an ideal choice for many new applications where thermal and electrical performances are important while also requiring an increasingly higher power density threshold.

Figure 3: The ISL8272M is housed in a proprietary overmolded high-density array (HDA) package that uses a single-layer conductive-package substrate.
According to Intersil, the encapsulated power module is compatible with all industry pick-and-place equipment for full manufacturing automation. Plus, for higher than 50 A output, it can be placed in a current-sharing configuration, allowing up to four such modules in parallel to deliver 200 A continuous current.
Digital control
With the ISL8272M’s digital-control-loop technology, also known as ChargeMode technology, analog signals are immediately converted into the digital domain through on-board ADCs such that digital-signal processors or computational-state machines can handle the PWM and feedback loops. “This provides for far more flexible control loops by incorporating n x FSW (switching frequency) oversampling, multi-rate sampling, various types of digital filters for notching and phase shaping, Fourier transform, and so on. This control loop maintains stability without compromising responsiveness,” Yin explained.
As per Yin’s description, the ISL8272M’s ChargeMode technology uses a multi-rate sampling technique, which samples the error and computes the modulation signal multiple times during a switching period. As a result, according to Yin, this technology significantly reduces group delay and therefore supports very-high-bandwidth operation. The phase lag is significantly reduced due to the reduction of group delay.
This ultra-fast and advanced digital-control loop offers a single-switching-cycle response to load transient events and minimizes the overall output capacitance required. Hence, high density is further guaranteed from the system-level point of view, Yin added.
What is more, the ISL8272M provides a PMBus digital interface that enables the user to configure all aspects of the module operation as well as monitor the input and output parameters. The product data sheet shows that ISL8272M can be used with any SMBus host device. Plus, it is compatible with PMBus Power System Management Protocol Specification Parts I and II version 1.2. Consequently, the ISL8272M accepts most standard PMBus commands. When configuring the device with PMBus commands, the data sheet recommends that the enable pin be tied to the signal ground (SGND) pin. The SMBus device address is the only parameter that must be set by external pins. All other device parameters can be set with PMBus commands, according to the data sheet.

Figure 4: Since ISL8272M’s package incorporates all the major active and passive components, the 50 A converter requires only a handful of external passive components to complete the DC/DC-conversion solution.
To speed design time, the fully encapsulated 50 A digital power module ISL8272M can be easily configured to a desired power-conversion solution using the graphical-user interface (GUI) software PowerNavigator. Because the module incorporates all the major active and passive components in the thermally-enhanced package, only a few passives are needed externally to complete the solution (Figure 4, above).
For more information on the products discussed in this article, use the links provided to access product pages on the DigiKey website.
Disclaimer: The opinions, beliefs, and viewpoints expressed by the various authors and/or forum participants on this website do not necessarily reflect the opinions, beliefs, and viewpoints of DigiKey or official policies of DigiKey.

