Harvesting Heat and Vibration Energy to Power Wired Communication in Vehicle Safety Systems
Contributed By DigiKey's European Editors
2013-08-28
This article will highlight some energy harvesting developments and techniques that have potential in the automotive industry and review the technology currently available for use in this sector. Typical devices applicable in automotive systems include Midé Technology’s Volture range of piezoelectric energy harvesting devices, neatly complemented by the LTC3588 piezo electric harvesting power supplies from Linear Technology. The LTC3109 boost/step-up converter and power management ICs, also from Linear Technology, suit energy harvested by either piezoelectric or TEG sources. Energy storage will also be considered, focusing on the UltraCap supercapacitors from NessCap and the EnerChip thin film rechargeable batteries from Cymbet.
Bandwidth demands
Ethernet is emerging as the preferred network standard for next generation vehicles, ultimately replacing LIN, CAN, MOST and FlexRay. It was initially deployed in some car models for on-board diagnostics as early as 2008, primarily to meet the demands for increased data bandwidth. BMW is said to be announcing vehicles that will extensively test Ethernet backbone systems within a year, with a fully Ethernet cabled vehicle by 2020.
Meanwhile, the number of in-car electronic systems continues to increase, and not only standard ECUs. New applications in advanced safety, infotainment and driver assistance are adding significant pressure to the essential data network at the heart of today’s vehicles, particularly with respect to wiring, bandwidth and power requirements. These more complex applications, originally the domain of luxury vehicles, are now becoming commonplace on mid-range, and even economy models.
One of the fastest growing segments is advanced driver assistance systems (ADAS). Cameras are becoming widely used: watching the rear view, the driver side, and the curbside (see Figure 1). The requirement to shift and process uncompressed video data for object detection, is further driving the need for high bandwidth data networks.

While other protocols are running out of steam, Ethernet continues to develop in a structured and standardized way. Emerging technology and standards, such as energy efficient Ethernet, introduce low power idle and wake-up modes to save energy when the cameras are not in use. Automotive Ethernet delivering 100 Mbps bandwidth is now available: the IEEE 802.3u (100BaseTX) standard has been selected for car diagnostics over IP, and is described in ISO13400. Open standard Ethernet is also being considered as a viable alternative to the proprietary MOST technology for infotainment networks.
The trend is towards a single, flexible, scalable Ethernet based network replacing multiple closed networking systems, which could dramatically reduce connectivity costs and cabling weight. However, the choice between shielded or unshielded twisted pair cabling is still being debated as new physical layer technologies come to the fore. The key is to meet the automotive sector’s strict EMC requirements.
It is the danger of electromagnetic interference from data passing through wireless networks affecting critical safety systems that inhibits wider use of wireless networks in vehicles. However, there are places where it is simply not feasible to install wiring and cables, yet either power or data or both need to be transmitted. Low-power wireless networks, where there is minimal danger of interference, are now increasingly deployed in vehicles.
Battery free
Example applications include electric window openers, door locking, mirror and light adjustment systems, tire pressure monitoring, and infotainment systems. This type of system has the potential to be powered by energy scavenged, typically from thermal or vibration sources in the vehicle. In some cases, the harvested energy may be stored in a supercapacitor, or used to charge a small battery.
Tire pressure monitoring systems (TPMS) are a classic case. Traditional devices have been battery operated, with the battery needing to be replaced every 3 to 5 years. However, more recent introductions are battery-free. MEMS-based piezoelectric energy harvesting devices can be used to generate enough power (40 µW) to enable the TPMS to operate successfully both the pressure sensor and the wireless communications circuitry. Vibrations through the wheels when the car is in motion are sufficient to allow the MEMS device to convert the energy into electricity, while the voltage across a capacitor is harvested to drive the TPMS.
Passive key fobs for car door opening and locking and for immobilization are powered via a modulated magnetic field, generated by the vehicle’s base station from a low frequency alternating current, typically at 125 kHz. Data is transferred between the fob and the car via this magnetic field. The use of ultra-low power electronic circuitry (microcontroller, memory, encryption etc.) ensures that sufficient field energy can always be harnessed to operate the device reliably and securely.

In applications such as electric window control, mirror fold and mirror axis control, semiconductor manufacturers have introduced smart ICs to replace mechanical relays. Power management functionality includes ultra-low quiescent current in standby modes. Other features include integrated IP networking and RF communications support. If and when such functions are implemented as wireless networks, they could easily be powered by energy harvesting devices, optionally in conjunction with battery back-up.
Piezoelectric solutions
Harvesting energy from vibration is one of the most obvious solutions for automotive systems. Typical devices currently available include the Volture range from Midé Technology. The devices use piezoelectric materials to convert mechanical strain into useable electrical energy. Available in raw form, supplied simply packaged with pre-routed mounting holes and connector, the V22BL is the smallest device in the range, operating over a sensing range of 26 to 110 Hz, and across an extended temperature range of -40°C to 90°C.
The piezoelectric transducer is typically used in conjunction with a power conditioning circuit, which converts the AC output to a regulated DC output. The LTC3588 series of charge management ICs from Linear Technology are designed to support energy harvested from piezoelectric and electromechanical sources. Parts are available with an input quiescent current of either 950 nA or 1.5 µA, and supporting supply voltages from 2.7 to 20 V. The LTC3588-1 offers selectable output voltages of 1.8, 2.5, 3.3 and 3.6 V.
The higher voltage (minimum 14 V to 20 V input operation range) version, the LTC3588-2, offers four output voltages of 3.45, 4.1 and 5 V, with 100 mA of continuous output current. These devices particularly suit use with lithium batteries and supercapacitors. An input protective shunt set at 20 V provides overvoltage protection.
Midé has developed its own energy harvesting conditioning circuit, the EHE004, based on the LTC3588-1. It comprises a full wave rectifier with integrated charge management and DC-to-DC conversion. It connects directly to any of the Volture piezoelectric energy harvesting devices. The board includes 200 µF of storage capacitance, although more can be added, if required.
The EHE004 allows the user to connect the two wafers in the Volture device, either in series or in parallel, depending on whether small vibration amplitude is required or the higher average power output levels associated with higher vibration amplitude levels.
Converting heat
Electric and hybrid vehicles are expected to benefit extensively in future years from exploiting scavenged or harvested energy. Both heat and vibration are seen as viable sources, as well as solar glass and flexible solar panels. Techniques, such as regenerative braking where deceleration energy is harvested rather than lost as heat, are already being deployed. Shock absorbers are another target for energy harvesting. The aim is to recharge the batteries powering the vehicle, thereby extending its range. In future designs, some functions will be run by supplementary batteries, so that harvested energy can at least charge those running the essential electronic systems, which will be interconnected via single- or multiple-wired data networks.
Heat is another primary source of energy that can be easily harvested from a vehicle, particularly the traditional combustion engine. Scientists and carmakers continue to investigate the potential of thermoelectric generators (TEGs) and allied materials that can be used to capture waste heat in vehicles and convert it to electricity. With dramatic temperature differentials possible in vehicles, TEGs have been found to generate up to 1200 W, which could lead to significant fuel savings in diesel or gasoline engine vehicles.
TEG technology is evolving, finally. Traditional handmade devices that contain toxic (lead) components are giving way to much smaller generators that can be produced cost effectively using 3D printing technology and more environmentally friendly polymers that are electrically conductive.
Smaller TEGs, generating 600 W or so, can generate enough power to charge batteries that run electronic control units or other in-car electronic systems, or devices such as mobile phone chargers. For powering wireless sensor networks, miniaturized TEGs can be used. These are typically constructed of pairs of N and P doped semiconductor pellets connected in series and encapsulated between thermally conductive ceramic plates. The output voltage is in the range of 10 to 50 mV/K of differential temperature, but depends on the number of pairs in series, while the source resistance can impact voltage drop.
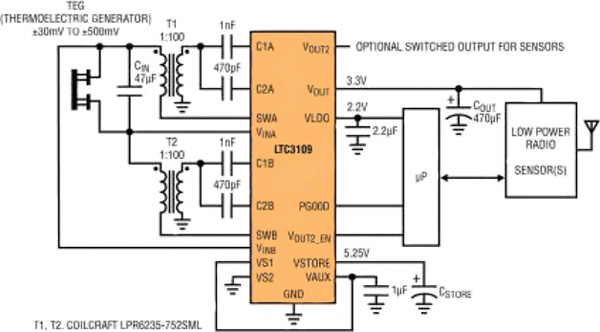
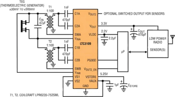
Managing and converting the energy generated by TEGs represents another challenge. Linear Technology, once again, has come up with a neat solution, with its LTC3109 auto-polarity, ultra-low voltage step up converter and power manager. The ability to operate from either polarity is particularly important with TEGs. It operates from input voltages as low as +/-30 mV, and even with temperature differentials as low as 2°C, can ensure there is enough energy to power wireless sensors and transmit data.

The device uses step-up transformers and internal MOSFETs to form a resonant oscillator. The 2.2 V LDO output is designed to be in regulation first, to power a low-power microprocessor as early as possible. Then the main output capacitor is charged for power sensors, analog circuitry, RF transceivers or charging a supercapacitor or battery.
Energy storage
Depending on the nature of the application, there are times when scavenged energy needs to be stored for later use. For example, if a vehicle is stationary, vibration will be minimal. If a gasoline or diesel engine is not running, or has just started from cold, thermal differentials will be reduced. For some applications, such as powering wireless sensor networks, only small amounts of energy are needed. With techniques such as regenerative braking, large amounts of energy are generated at one time and need to be stored. In electric and hybrid vehicles much work is underway, researching distributed energy storage for various subsystems.
Typically, harvested energy can be stored in rechargeable batteries or supercapacitors, or both. The range of products available is vast, ranging from systems that can start a truck with a flat battery from cold, to subminiature devices operating at the µV level.
If an application requires occasional short but high power bursts, such as for broadcasting a radio signal over a long distance, then a fast charge/discharge supercapacitor may be the best solution. If low levels of power are required to be released slowly over a long period of time, then rechargeable batteries are a better bet. Some applications successfully use both techniques controlled through sophisticated power management circuitry. For sure, researchers are developing new supercapacitor technologies that will ultimately offer both high power and high energy. These are expected to supersede lithium batteries, but not for some years yet.
For systems that require smaller amounts of capacitance, but immediate pulse power, NessCap offers a range of small size supercapacitors. The 2.7 V ESHSR-0010C0 UltraCap model delivers an impressive 10 F rated capacitance. The radial packaged device operates across the extended -40°C to 65°C temperature range, with a lifetime quoted at 87,600 hours at 25°C. The company has a wide range of supercapacitors available, including much higher power large cell modules for mainstream automotive applications.
An innovative alternative to lithium batteries is the EnerChip CC range of thin-film energy storage devices from Cymbet Corporation. An integrated solution that provides back-up energy storage and power management, the CBC3150 is targeted at providing a localized power source to keep low power microcontrollers and associated circuitry alert in standby mode; ideal for wireless sensor networks. It is further designed specifically to be coupled to energy-harvesting transducers.
The device charges itself with a controlled voltage from 2.5 to 5.5 V, with a 20-minute recharge time (to 80%). It can be recharged thousands of times. The smart battery features an output voltage of 3.3 V and typical capacity is 50 µAh. Contained in a surface-mount package just 9 mm square, these solid-state batteries are more than ten times smaller than a standard 2032 coin cell and last three times longer. Operating temperature range is -20°C to 70°C.

Cymbet has a universal EnerChip energy harvesting evaluation kit, the CBC-EVAL-09. Designed to accept inputs from solar, piezoelectric, thermoelectric or electromagnetic EH transducers, the kit allows engineers to try out the EnerChip solid-state batteries as well as the company’s CBC915 Energy Processor chip.
Summary
Wired networks are essential in today’s vehicles, integrating the proliferation of electronic systems that cover an increasing range of functions, from traditional ECUs through safety systems, advanced driver assistance systems, informatics and infotainment. Wireless sensor networks are increasingly being deployed in specific areas that must communicate with the wired backbone. It is here that energy-harvesting techniques, in conjunction with their associated power management and energy storage technology, are finding potential.
With hybrid and electric cars, the trend towards distributed energy storage to run the various electrical and electronic systems, still interconnected via a wired network backbone, opens up another avenue for energy harvesting.
Disclaimer: The opinions, beliefs, and viewpoints expressed by the various authors and/or forum participants on this website do not necessarily reflect the opinions, beliefs, and viewpoints of DigiKey or official policies of DigiKey.




