Extend IoT Sensor Node Battery Life with Energy Harvesting
Contributed By DigiKey's European Editors
2015-12-01
To be able to capture data from remote locations, sensor nodes developed for the Internet of Things (IoT) need to be able to run as long as possible on a single battery charge. In an ideal world, there would be no battery at all because this greatly complicates system management, demanding truck rollouts to locations that are difficult and expensive to reach.
Instead, the system would capture energy from its environment -- through photovoltaics, RF energy, pressure, and heat, air or fluid movement. For example, a water flow meter could, in principle, sustain itself from the energy captured from the medium it is designed to measure. A wall-mounted sensor could harvest energy from the light that falls on its surface.
In practice, the energy efficiency of electronic sensor systems is too low to be able to rely purely on environmental energy capture. However, it is possible to eke out the charge in a long-life battery by using as much environmental energy as possible, although this complicates the resulting system design.
One key problem is that the power is hard to capture because it turns up either at very low voltage or at high voltage but with difficult phase issues. As a result, specialized techniques are needed to deal with the inputs, which include providing a boost converter able to handle the low-voltage, high-impedance sources that many harvesting modules present to the system. Further, circuits such as boost converters can introduce high-frequency noise that can disrupt radio communications. The system needs to be able to cater for these situations.
A further requirement, particularly in the case of photovoltaics and thermoelectric generators, is support for maximum power point tracking (MPPT). Each photovoltaic module has a characteristic current-voltage (IV) curve that depends not only on incident light but also on temperature. The curve determines the voltage at which maximum energy harvesting is achievable. Moving away from this voltage can reduce the current collected and, with that, the energy.

Figure 1: IV curve for photovoltaic harvester.
Temperature affects the peak output efficiency of a module as well. High temperatures cause the output voltage of the module to drop. As a result, even during periods of intense sunlight when they should be at peak efficiency, PV panels can suffer from drops in conversion efficiency if the electronic circuitry does not compensate for the accompanying fall in voltage. MPPT lets the power-conversion electronics track the changes in conditions and ensure that the most appropriate voltage is always selected. Fortunately, the shift in the maximum power point with changes in illumination are typically relatively small so that the MPPT control circuit need only analyze a relatively small portion of the IV curve.
Piezoelectric harvesters show different but comparable behavior: open-circuit voltage is roughly inversely proportional to short-circuit current. Piezoelectric elements can be placed in series or in parallel to develop a desired range of voltages for harvesting. Typically, piezoelectric harvesters produce maximum power when they operate at around half the open-circuit voltage.

Figure 2: IV curve for a piezoelectric harvester.
A further system-level consideration is that of managing the harvested energy efficiently, making sure that the battery is not accidentally overcharged and that the processing needed to capture and store the energy does not cost more in joules than what can be stored. Very often it can make sense to combine a battery with a supercapacitor to avoid issues with charging from an unreliable source.
Although easier in principle to control than a rechargeable battery, the low voltage of supercapacitors means they are often deployed in series to achieve a voltage compatible with most system electronics. When they are placed in series, the voltage distribution across the stack of supercapacitors is initially a function of capacitance. However, if the stack is held at the same voltage over a period of time, the voltage distribution shifts to become a function of the internal parallel resistance because of the effects of leakage current.
One design technique to reduce the shift in voltage caused by leakage is to place a resistor in parallel with each supercapacitor device. However, this increases the energy loss, which is not a desired attribute for energy-harvesting designs. Active supercapacitor balancing is a more efficient answer and is one of the features implemented in Linear Technology’s LTC3331, one of a number of devices that have been designed specifically to deal with the issues raised by combining battery and harvested energy. Their availability reduces the need for system designers to implement discrete solutions.

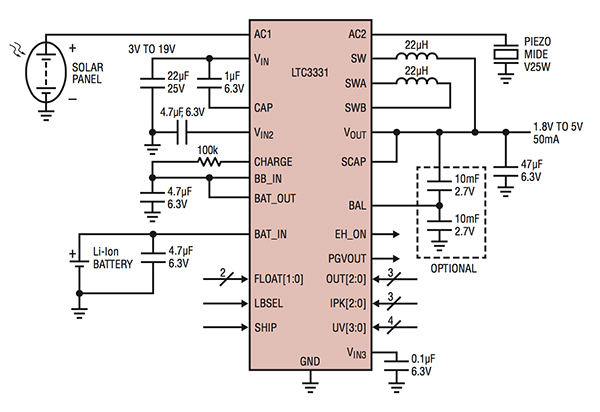
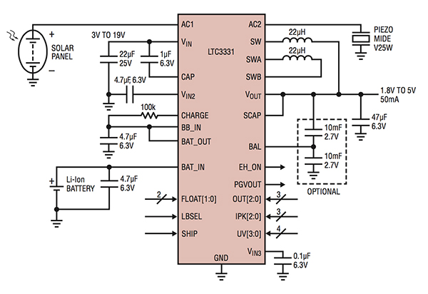
Figure 3: Typical application for the LTC3331, showing the supercapacitor balancer connection to the right.
The active supercapacitor balancer in the LTC3331 will work with two devices using the BAL pin to perform its function. The controller in the LTC3331 actively sources and sinks up to 10 mA to regulate the BAL pin’s voltage to half that of the device’s output voltage. The balancer consumes 150 nA. If balancing is not required or consumes too much energy for the application, it can be disabled and the quiescent current cut to zero by tying the BAL pin to ground together with the SCAP, which is normally tied to Vout when active.
The core of designs such as the LTC3331 is a boost or buck-boost DC/DC converter designed to work with typical energy harvesters. This converter is coupled to control electronics that control when the boost converter is active. The controller may also perform MPPT calculations. The LTC3331, for example, will work with piezoelectric or photovoltaic sources and is suited to use in wireless systems where the average power consumption is very low but demands larger bursts of power when data needs to be relayed to a hub or gateway. This will draw energy from the supercapacitor and, potentially, also the battery, depending on how much energy has been harvested since the last communication.
With the LTC3331, when harvestable energy is available it is transferred through a bridge rectifier where it accumulates on an input capacitor. An undervoltage lockout circuit that operates at low quiescent current allows the voltage on the capacitor to increase towards a programmed threshold. Once past the threshold, the buck converter turns on and transfers energy to the output rail. If the voltage on the input capacitor falls below a falling threshold – usually set at a different point to the rising threshold to avoid unwanted oscillation – the buck converter turns off and the buck-boost then turns on to service the load from the battery input although energy can continue to be harvested into the supercapacitor.
The ADP5090 produced by Analog Devices provides a boost converter for low-voltage thermoelectric and solar sources, operating from voltages as low as 380 mV. It provides an interface to a backup battery or supercapacitor as well as support for MPPT.

Figure 4: Application diagram for the ADP5090 with the capacitor connection for MPPT setting storage (CBP) to the left.
MPPT control is maintained with the aid of an external capacitor that should be selected for low leakage because the harvester input is sampled by the control circuitry approximately every 19 seconds. If the capacitor voltage drops, it reduces the effectiveness of the MPPT controller. Low-leakage 10 nF X7R or C0G ceramics offer suitable levels of performance. To support very low harvesting voltages, the ADP5090 incorporates a charge pump to allow the boost converter to start up from very low input voltages. Additional circuitry checks whether the voltage is so low that running the boost converter to try to harvest the available energy would actually start to drain the battery.
For wireless applications, where the RF electronics can be very sensitive to noise particularly at low power operation, the boost-switching converter can be stopped temporarily under external software or hardware control by pulling the DIS_SW pin high.
A further option is the bq25504 made by Texas Instruments. The device is able to cold start from an input provided by the energy harvester of 330 mV and support voltages, while running, down to 80 mV. This input feeds a boost converter that runs at a quiescent current of 330 nA. Although the bq25504 does not include direct control over a backup battery, it monitors maximum and minimum voltages against user-programmable undervoltage and overvoltage conditions to prevent damage to the storage element. To help with energy management, the device controls a ‘battery good’ flag to signal an attached microprocessor when the voltage on an energy storage battery or capacitor has dropped below a pre-set critical level. This is intended to trigger the shedding of load currents to prevent the system from entering an undervoltage condition.
By providing a way to mix battery and harvested power, solutions such as the LTC3331, ADP5090 and bq25504 will make it easier to implement IoT sensor nodes that can survive for very long periods on a single charge.
Disclaimer: The opinions, beliefs, and viewpoints expressed by the various authors and/or forum participants on this website do not necessarily reflect the opinions, beliefs, and viewpoints of DigiKey or official policies of DigiKey.




