Automotive Displays Demand Brighter Backlighting
Contributed By DigiKey
2012-04-10
Introduction
By 2012, the market size for high brightness (HB) LEDs is expected to reach $12 billion and grow to $20.2 billion by 2015 with a 30.6% CAGR ramp according to Strategies Unlimited (see Figure 1). LEDs used to backlight displays are currently the major driver for this unprecedented growth. Applications range from HDTVs to automotive displays to a myriad of other handheld devices. In order to maintain this impressive growth rate, LEDs must not only offer enhanced reliability, reduced power consumption, and smaller/flatter form factors, but must also offer obvious improvements in contrast ratios, picture clarity, and color accuracy. Additionally, automotive, avionic, and marine displays must maximize all of these improvements while being subjected to a wide array of ambient lighting conditions ranging from bright sunlight to moonless nights. These Transistor-Liquid Crystal Display (TFT-LCD) display applications range from infotainment systems to gauge clusters and a wide array of instrument displays. Backlighting these displays with LEDs creates some unique LED IC driver design challenges in order to optimize display readability under a wide range of ambient lighting conditions. This requires LED drivers that can offer very wide dimming ratios and high efficiency conversion while withstanding the rigors of the relatively caustic automotive electrical and physical environment. Finally, these solutions must offer very low profile, compact footprints while simultaneously enhancing cost-effectiveness.

How can such an impressive growth potential in automotive lighting be supported? First of all, LEDs are ten times more efficient at producing light than incandescent bulbs, and almost twice as efficient as fluorescent lamps, including cold cathode fluorescent lamps (CCFL), thereby reducing the amount of electrical power required to deliver a given amount of light output (measured in lumens). As LEDs are further developed, their efficacy, or ability to produce lumens of light from electrical power, will only continue to increase. Secondly, in our environmentally conscientious world, LED lighting does not require the handling, exposure, and disposal of the toxic mercury vapor commonly found in CCFL/fluorescent bulbs. Finally, incandescent bulbs need to be replaced about every 1,000 hours, while fluorescent bulbs last up to 10,000 hours compared to a 100,000+ hour lifetime for LEDs. In most applications, this allows the LEDs to be permanently embedded into the final application. This is especially important for backlighting automotive instrument/navigation/infotainment panels, which are embedded into a car’s interior as they will never require replacement during the life of the car. Additionally, LEDs are orders of magnitude smaller and flatter than their counterparts, so the LCD panels can be very thin, thereby requiring minimal space in the interior of the car. Furthermore, by using a configuration of red, green, and blue LEDs, an infinite number of colors can be delivered. LEDs also have the ability to dim and turn on/off much faster than the human eye can detect, enabling dramatic improvements in backlighting of LCD displays while simultaneously allowing dramatic contrast ratios and high resolution.
One of the biggest challenges for automotive lighting systems designers is how to optimize all the benefits of the latest generation of LEDs. As LEDs generally require an accurate and efficient DC current source and a means of dimming, the LED driver IC must be designed to address these requirements under a wide variety of conditions. Power solutions must be highly efficient, robust in features and reliability, while being very compact and cost effective. Arguably one of the most demanding applications for driving LEDs will be found in automotive infotainment and instrument panel TFT-LCD backlighting applications. They are subjected to the rigors of the automotive electrical environment, must compensate for a wide variation of ambient lighting conditions, and must fit in a very space constrained footprint, all while maintaining an attractive cost structure.
Automotive LED backlighting
Benefits, such as small size, extremely long life, low power consumption and enhanced dimming capability have triggered the wide-spread adoption of LED TFT-LCD backlighting in today’s automobiles, trucks, trains, planes, and boats. LED backlighting started primarily in infotainment systems, which typically have an LCD screen mounted somewhere in the center of the dashboard, so both the driver and the passenger can easily view their location, perform audio tuning, and a variety of other tasks. Many emerging automotive designs use a single panel to backlight all of the display gauges for driver control as seen in Figure 2. Often, the LED backlighting for the instrument panel is shared with the infotainment system, creating an easy to read control panel. Similarly, many vehicles including cars, trains, and airplanes also have LCD displays that entertain passengers in the rearward seat(s) with movies, video games, and so forth. Historically, these displays have used CCFL backlighting, but it is becoming more common to replace these relatively large bulbs with very low-profile arrays of white LEDs to provide more precise and adjustable backlighting, as well as a service life that can outlive the vehicles.

The benefits of using LEDs in this type of environment have several positive implications. First, they never need to be replaced, since their solid state longevity of up to 100K+ hours (11.5 service years) surpasses the estimated life of the vehicle. This allows automobile manufacturers to permanently embed them into “in cabin” backlighting without requiring accessibility for replacement. Styling can also be dramatically changed as LED lighting systems do not require the same depth or area as CCFL bulbs. LEDs are also generally more efficient than fluorescent bulbs at delivering light output (in lumens) from the input electrical power. This has two positive effects. First, it drains less electrical power from the automotive bus, and equally important, it reduces the amount of heat that needs to be dissipated in the display, eliminating any requirement for bulky and expensive heat sinking.
Another important benefit of LED backlighting is the wide dimming ratio capability provided by a high performance LED driver IC. As the interior of a car is subjected to a very wide variation of ambient lighting conditions, ranging from direct sunlight to complete darkness with every variation in between, it is imperative that the LED backlighting system is capable of very wide dimming ratios from 1,000:1 to as high as 30,000:1. Since the human eye is very sensitive to minor perturbations in light output, the screens need to dim or brighten correspondingly. With the proper LED driver IC, these wide dimming ratios, not possible with CCFL backlighting, are relatively easy to attain. Figure 3 shows a LED backlit instrument panel and infotainment screen with shared LED backlighting.

Design parameters for automotive LED lighting
In order to ensure optimal performance and long operating life, LEDs require an effective drive circuit. These driver ICs must be capable of operating from the caustic automotive power bus and be both cost and space effective. In order to maintain their long operating life, it is imperative that the LED current and temperature limits are not exceeded.
One of the automotive industry’s major challenges is overcoming the harsh electrical environment found on the car’s power bus. The major challenges are transient conditions known as load dump and cold crank. Load-dump is a condition where the battery cables are disconnected while the alternator is still charging the battery. This can occur when a battery cable is loose while the car is operating, or when a battery cable breaks while the car is running. Such an abrupt disconnection of the battery cable can produce transient voltage spikes up to 40 V as the alternator is attempting to full-charge of an absent battery. Transorbs on the alternator usually clamp the bus voltage to approximately 36 V and absorb the majority of the current surge. However, DC/DC converters downstream from the alternator are subjected to these 36 V to 40 V transient voltage spikes. These converters are expected to survive and regulate an output voltage during this transient event. There are various alternative protection circuits, usually transorbs, which can be implemented externally, though they add cost, weight, and take up space.
“Cold Crank” is a condition that occurs when a car’s engine is subjected to cold or freezing temperatures for a period of time. The engine oil becomes extremely viscous and requires the starter motor to deliver more torque, which in turn, draws more current from the battery. This large current load can pull the battery/primary bus voltage to as low as 6 V upon ignition, after which it typically returns to a nominal 12 V.
Fortunately, there is a solution to these dilemmas - Linear Technology’s LT3760 – capable of both surviving and regulating a fixed output voltage throughout both of these conditions. Its input voltage range of 6 V to 40 V makes it ideal for the automotive environment. Even, when VIN is greater than VOUT, which could occur during a 40 V transient, the LT3760 will regulate the required LED current.
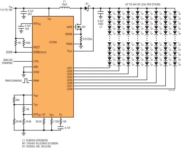
Most automotive LCD backlighting applications require between 20 W and 35 W of LED power. The LT3760 was designed to service these needs. It can boost the automotive bus voltage (6 V to 18 V/nominal 12 V) to as high as 44 V to drive up to eight parallel strings, each containing ten 80 mA LEDs in series. Figure 4 shows a schematic of the LT3760 driving eight parallel strings, each string comprised of ten 80 mA LEDs, for a total of 28 W.

The LT3760 utilizes an adaptive feedback loop design which adjusts the output voltage so that it is slightly higher than the highest voltage LED string. This minimizes power lost through the ballast circuitry and helps to optimize the efficiency. The circuit in Figure 2 offers efficiency of greater than 90%. This is important because it eliminates any requirement for heat sinking, enabling a very compact, low profile footprint. Equally important for driving arrays of LEDs is to provide accurate current matching to insure that the backlighting brightness remains uniform across the entirety of the panel. The LT3760 is guaranteed to deliver less than + 2% LED current variation across the -40°C to 125°C temperature range and, as can be seen in Figure 5, its typical values are closer to + 0.5%.

The LT3760 uses a fixed frequency, constant current boost controller topology. Using a single 60 V external N-Channel MOSFET, it is capable of driving eight strings of up to ten 100 mA LEDs connected in series. Its switching frequency is programmable and synchronizable between 100 kHz and 1 MHz, enabling it to deliver optimum efficiency while minimizing the size of the external components. Its design also enables it to run four strings of 200 mA LEDs or even two strings of 400 mA LEDs. Each string of LEDs can use the same number of LEDs or can be run asymmetrically with a different number of LEDs per string.
The LT3760 offers direct PWM with dimming ratios as high as 3,000:1 and analog dimming via the control pin, which offers ratios as high as 25:1. In applications which require dimming ratios of up to 30,000:1, these two dimming functions can be combined to reach the required ratio. It appears that as automotive display technology is perfected, most manufactures prefer to use higher LED currents (50 mA to 100 mA) to make the display more readable in bright ambient lighting and a higher dimming ratio to compensate for varying ambient conditions.
Furthermore, the LT3760 has integrated protection features that include open and short circuit protection and a FAULT diagnostic pin. For example, if one or more LED strings are open circuit, the LT3760 will regulate the remaining strings and set the FAULT pin high. If all of the strings are left open, it will still regulate the output voltage and in both cases would set the FAULT pin high. Similarly, if a short circuit occurs between VOUT and any LED pin, the LT3760 immediately turns off that channel and continues to regulate the remaining channels. Disabling the channel protects the LT3760 from high power thermal dissipation and ensures reliable operation. For additional LED protection, the LT3760’s CTRL pin allows an LED current derating curve to be programmed via the ambient temperature of the LED strings. An NTC resistor placed close to the LEDs decreases the CTRL pin voltage, decreasing the LED current as temperature rises. Other features that optimize reliability include output disconnect in shutdown, programmable under voltage lockout, micropower shutdown, and internal soft-start.
Conclusion
The continual acceleration of LED backlighting applications in automotive displays is driven by an insatiable demand for higher performance and cost effectiveness. These demands must be enabled by new LED driver ICs. As a result, these LED drivers must provide constant current in order to maintain uniform brightness, regardless of input voltage or LED forward voltage variations, operate with high efficiency, offer very wide dimming ratios and have a variety of protection features to enhance system reliability. Of course, these LED driver circuits must also offer a compact, low-profile, and thermally efficient solution footprint. Fortunately, Linear Technology is continually redefining their family of LED drivers to meet these challenges “head-on” with HB LED driver ICs such as the LT3760 for display applications. In addition, they have developed an entire family of high current LED driver ICs aimed specifically at automotive applications, ranging from LCD backlighting to turn signals and even advanced forward lighting headlamp applications. As automotive lighting systems continue to demand higher performance LED drivers, designers will have IC solutions to meet them.
Disclaimer: The opinions, beliefs, and viewpoints expressed by the various authors and/or forum participants on this website do not necessarily reflect the opinions, beliefs, and viewpoints of DigiKey or official policies of DigiKey.

