RS-232 Transceivers
Analog Devices' true RS-232 transceivers use four 0.1 µF external capacitors
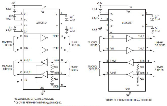
Analog Devices' MAX3222/MAX3232/MAX3237/MAX3241 transceivers have a proprietary low-dropout transmitter output stage. This enables true RS-232 performance from a 3.0 V to 5.5 V supply with a dual charge pump. The devices require only four small, 0.1 µF external charge-pump capacitors. The MAX3222, MAX3232, and MAX3241 run at data rates of 120 kbps while maintaining RS-232 output levels. The MAX3237 runs at data rates of 250 kbps in the normal operating mode and 1 Mbps in the MegaBaud™ operating mode, while maintaining RS-232 output levels.
The MAX3222 and MAX3232 have two receivers and two drivers. The MAX3222 features a 1 µA shutdown mode that reduces power consumption and extends battery life in portable systems. Its receivers remain active in shutdown mode, allowing external devices such as modems to be monitored using only 1 µA supply current. The MAX3222 and MAX3232 are pin, package, and functionally compatible with the industry-standard MAX242 and MAX232, respectively.
The MAX3241 is a complete serial port (3 drivers/5 receivers) designed for notebook and sub-notebook computers. The MAX3237 (5 drivers/3 receivers) is ideal for fast modem applications. Both these devices feature a shutdown mode in which all receivers can remain active while using only 1 µA supply current. Receivers R1 (MAX3237/MAX3241) and R2 (MAX3241) have extra outputs in addition to their standard outputs. These extra outputs are always active, allowing external devices, such as a modem, to be monitored without forward biasing the protection diodes in circuitry that may have VCC completely removed.
Features
- True RS-232 transceivers using four 0.1 µF external capacitors
- 3.0 V to 5.5 V
- Low-power
- Up to 1 Mbps
MAX3222 Series
| Image | Manufacturer Part Number | Description | Available Quantity | Price | ||
|---|---|---|---|---|---|---|
![]() | ![]() | MAX3222CAP+ | IC TRANSCEIVER FULL 2/2 20SSOP | 192 - Immediate 6930 - Factory Stock | $5.92 | View Details |
![]() | ![]() | MAX3222CAP | IC TRANSCEIVER FULL 2/2 20SSOP | 0 - Immediate | $1.52 | View Details |
MAX3232 Series
| Image | Manufacturer Part Number | Description | Available Quantity | Price | ||
|---|---|---|---|---|---|---|
![]() | ![]() | MAX3232CAE+ | IC TRANSCEIVER FULL 2/2 16SSOP | 466 - Immediate 28804 - Factory Stock | $5.67 | View Details |
![]() | ![]() | MAX3232CPE+ | IC TRANSCEIVER FULL 2/2 16PDIP | 1809 - Immediate 3450 - Factory Stock | $7.18 | View Details |
MAX3237 Series
| Image | Manufacturer Part Number | Description | Available Quantity | Price | ||
|---|---|---|---|---|---|---|
![]() | ![]() | MAX3237CAI+ | IC TRANSCEIVER FULL 5/3 28SSOP | 1320 - Immediate | $9.74 | View Details |
![]() | ![]() | MAX3237CAI | IC TRANSCEIVER FULL 5/3 28SSOP | 0 - Immediate | See Page for Pricing | View Details |
MAX3241 Series
| Image | Manufacturer Part Number | Description | Available Quantity | Price | ||
|---|---|---|---|---|---|---|
![]() | ![]() | MAX3241CAI+ | IC TRANSCEIVER FULL 3/5 28SSOP | 109 - Immediate 15962 - Factory Stock | $9.36 | View Details |
![]() | ![]() | MAX3241CAI | IC TRANSCEIVER FULL 3/5 28SSOP | 0 - Immediate | $2.72 | View Details |






