Wireless Options for Sensors
Contributed By Electronic Products
2011-10-12
The hunger for data seems to be inexhaustible. From the oxygen level in your car’s fuel system to rain levels in your backyard, embedded systems and sensors are monitoring everything around us, all the time.
Until relatively recently, all monitoring took place through wired connections. Probes and sensors connected directly to an electronic or electromechanical control system that either monitored and recorded the data, or used it to control a process.
Only the most critical or demanding tasks were attempted via wireless since the expense and complexity of over-the-air connection meant this type of telemetry could only be justified for military, industrial, or space applications. However, wireless technology has flourished to the point where the odds are we now interact with numerous wireless sensors every day.
Simple send only
While specific requirements will dictate a given application, there are basically three architectural choices when implementing a sensor-based design. These are interrupt, polled, and time-sliced. An interrupt based system will just transmit whenever a trigger event occurs, a polled system will only report when asked, and a time-sliced system will report in on a predetermined interval. A simple send only sensor architecture limits these choices to interrupt or time-sliced.
At the simplest level, sensors and threshold-limit detectors merely inform the monitoring system of a condition. This can be used in alarms for intrusion, fill levels, over-temperature, and so on. The key here is that one-way communications allow lower cost, transmit-only modules to be designed without an embedded microcontroller.
For example, a simple and effective transmit-only part from Micrel is the MICRF113, which is an amplitude-shift-keying (ASK)–only transmitter for the 300 to 450-MHz range (see Figure 1). These are ideal for remote sensor links since these bands typically have longer range than 2.4- and 5-GHz-band transmissions.
Since these types of transmit-only parts are typically battery powered, a nice feature of the MICRF113 is its ability to work all the way down to 1.8 V. Using a crystal or a ceramic resonator, these parts support bit rates up to 20 Kbits/s.
A simple state machine can trip a one-shot that briefly enables a set frequency to be transmitted out to the receiver. This can cycle continuously until the trigger condition is returned to below threshold, or continue as a one-shot event until manually reset. Either way, the small SOT23 low-component-count design can be very effective at providing a reliable wireless link for event detection. The addition of a microcontroller opens the door for more sophisticated operations including not only detecting an event, but also detecting and transmitting an analog level. It also allows RF links to be a transceiver, which adds more functionality and capabilities.

Another part ideally suited for these types of designs is the Analog Devices ADF7012, which, like the Micrel part, uses a serial input data line. It also has a serial control bus to control registers, modes, and power down configuration (down to <0.1 µA).
One nice feature of this part is that it can operate in standard ASK or FSK modes, as well as Gaussian ASK and FSK (see Figure 2). The pre-filtered Gaussian form has smooth symbol transitions which can keep the transmissions in a narrower band space. Helping this is the fine tunability of the 1 ppm stepped control frequency that keeps center frequency on track as temperature and drift occur over the 75-MHz to 1-GHz bands occurs.

Figure 2: The Gaussian mode modulation used in the Analog Devices ADF7012 keeps emission confined to a narrow band with low drift and center-frequency shifting.
Note how an embedded microcontroller is an ideal way to increase the functionality, reliability, and accuracy of a wireless or buried sensor. Not only can the microcontroller monitor the events and discriminate false alarms, it can also use techniques like look-up tables, curve fitting, and interpolation techniques to improve accuracy.Micro in control
When it is decided that an embedded microcontroller is the way to go, the Silicon Labs Si4010 system on a chip is ideally suited for transmit only, as well as facilitating a bi-directional link. The RF analog core is combined with a core 8051-type microcontroller which includes RAM, flash, EEPROM, and Novram. (Note: Because the core can also be a receiver, a polled mode of operation is possible.)
An interesting feature of this part, when used for sensor interfacing, is its built-in advanced encryption accelerator in hardware. Typically, you would not think that sensor data would need to be encrypted. However, there may be applications where all protocol interactions are encrypted to help keep the wireless network secure from interference.
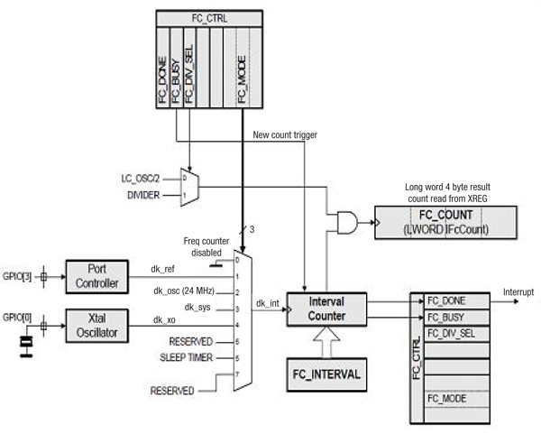
Another interesting feature is the built-in high-speed frequency counter gated by an interval clock (see Figure 3). The frequency counter mode can easily turn linear pulse widths and duty-cycle-based measurements directly into digital values for transmission to the receive station.

Packed into the small, 10-pin MSOP (with reduced I/O), or the larger, 14-pin SOIC, is the processor, memory, LDO, battery monitor, Manchester encoder, and, of course, an RF stage.
Another nice feature on this part is the built in temperature sensor. This can be used to adjust sensor data at the location of the sensor to compensate for temperature variations. Note though that this part has digital I/O and would need an A/D converter for linear-type sensors.

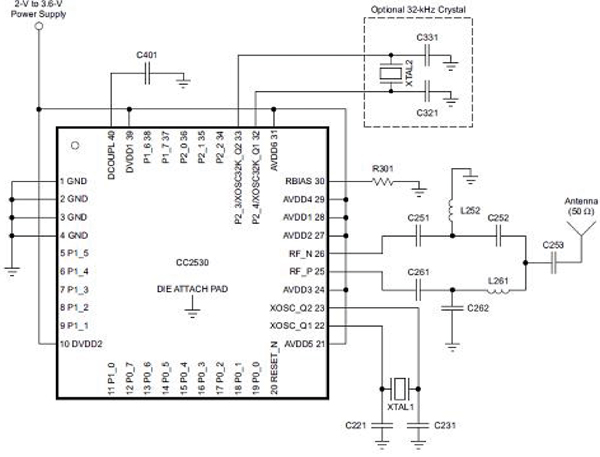
A similar family of parts that contain RF and embedded micros comes from Texas Instruments (see Figure 4). For example, the CC2530 also contains an embedded 8-bit 8051 processor in combination with a fully compliant 802.15.4 ZigBee transceiver.
This permits the sensor array to operate at a more powerful integrated system level. As a mesh style network, data packets from sensors, controllers, actuators, dataloggers, and more can all be part of a more sophisticated system.
The tradeoff, however, is that this is not a wire and go solution. The resources on these parts are sophisticated, including components such as the eight-channel 12-bit A/D converters, battery monitor, temperature sensor, timers, UARTs, AES unit, on chip regulator, and a very comprehensive radio. What is more, these parts and this architecture can be used to form very large and sophisticated networks.
Fortunately, TI and DigiKey provide a full suite of evaluation and development kits, such as the CC2530 Mini ZNP kit, which includes three nodes (two mobile and one base) that allow for evaluation, development, and testing of ZigBee connectivity devices. The stack software is also available to help minimize the expertise and time needed to roll your own compatible stack.
It should be noted that you do not have to implement the full ZigBee protocol. Many do not. A large swath of applications simply needs connectivity. Also, not every feature and function need circuit support. Despite the sophistication of the CC2530, very few external components are needed to create a good radio link. A simple, non- mesh point to point network can still be established using these parts. This leaves the designer free to implement whatever protocols they want to develop.
Summary
In the end, your system will reflect your needs and the features you select. Using the information presented in this article will help you review typical wireless sensor types, the use of embedded controllers, RF links, and the topologies available to you. Use the links provided to find the expertise, parts, and development tools needed to get your wireless sensor network alive quickly and reliably.
Disclaimer: The opinions, beliefs, and viewpoints expressed by the various authors and/or forum participants on this website do not necessarily reflect the opinions, beliefs, and viewpoints of DigiKey or official policies of DigiKey.

