B3279X Series Capacitors
EPCOS' B3279X series capacitors feature capacitance ranges from 2 µF to 75 μF
EPCOS presents a series of AC capacitors with capacitance ranges from 2 µF to 75 μF and radial terminals for PCB mounting. B3279X series output filter capacitors feature types for voltages up to 400 VAC and can be used in a wide range of output filter modules. Higher capacitance values can be realized by placing several capacitors in parallel in the PCB assembly, thus allowing filter designers and manufacturers to design power converters even up to 500 kW with modular systems. Compared to other AC filtering solutions, the B3279X series offers smaller size with higher capacitance values, higher current density per capacitance and volume, and operation at temperatures up to 105°C.
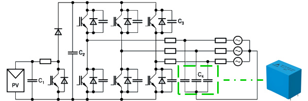
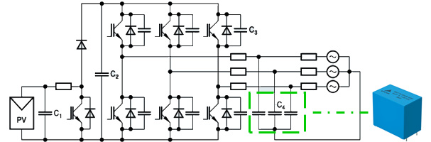
Power electronic designers are implementing more and more complex switching algorithms for pulse-width modulation (PWM) to gain efficiency and power quality. Such designs, however, introduce higher frequencies and harmonics into systems, which must be properly filtered by using LC and LCL filters at the output of the frequency converters. Applications for the new series are, in particular, in star-connected LCL circuits of three-phase power converters (DC/AC or AC/AC) for drives. Additional applications include inverters for solar power as well as UPS systems and discrete filters. The capacitors can also be used in single-phase systems.
| Features | ||
|
|
|
| Specifications | ||
|
|

A typical application is an output filter module (e.g. LCL) in star connection in a three-phase power converter
(DC/AC or AC/AC). The capacitors can also be used in single-phase systems.
B3279x Series
| Image | Manufacturer Part Number | Description | Voltage Rating - AC | Available Quantity | Price | ||
|---|---|---|---|---|---|---|---|
![]() | ![]() | B32794D2255K | CAP FILM 2.5UF 10% 630VDC RADIAL | 250V | 0 - Immediate | See Page for Pricing | View Details |
![]() | ![]() | B32794D2635K | CAP FILM 6.3UF 10% 630VDC RADIAL | 250V | 0 - Immediate | See Page for Pricing | View Details |
![]() | ![]() | B32794D2156K | CAP FILM 15UF 10% 630VDC RADIAL | 250V | 0 - Immediate | See Page for Pricing | View Details |
![]() | ![]() | B32794D3335K | CAP FILM 3.3UF 10% 700VDC RADIAL | 300V | 0 - Immediate | See Page for Pricing | View Details |
![]() | ![]() | B32794D3805K | CAP FILM 8UF 10% 700VDC RADIAL | 300V | 0 - Immediate | See Page for Pricing | View Details |
![]() | ![]() | B32796E2226K | CAP FILM 22UF 10% 630VDC RADIAL | 250V | 0 - Immediate | See Page for Pricing | View Details |
![]() | ![]() | B32796E2256K | CAP FILM 25UF 10% 630VDC RADIAL | 250V | 0 - Immediate | See Page for Pricing | View Details |
![]() | ![]() | B32796E2406K | CAP FILM 40UF 10% 630VDC RADIAL | 250V | 0 - Immediate | See Page for Pricing | View Details |
![]() | ![]() | B32796E3306K | CAP FILM 30UF 10% 700VDC RADIAL | 300V | 0 - Immediate | See Page for Pricing | View Details |
![]() | ![]() | B32798G2756K | CAP FILM 75UF 10% 630VDC RADIAL | 250V | 0 - Immediate | See Page for Pricing | View Details |




