? lVI/JAI/VI
Low-Po we
’Wv
fl ‘L
AFMNv—LE * \/1
m A W
Akflv / *
’VVv
Li+
1
For pricing, delivery, and ordering information, please contact Maxim Direct
at 1-888-629-4642, or visit Maxim’s website at www.maxim-ic.com.
Low-Power, Low-Offset, Dual Mode, Class H
DirectDrive Headphone Amplifier
MAX97200
19-4981; Rev 3; 8/12
General Description
The MAX97200 is a 45mW Class H headphone amplifier
that runs from a single low 1.8V supply voltage and employs
Maxim’s second-generation DirectDrive technology.
The MAX97200 features a Dual ModeK internal charge
pump to generate the power rails for the amplifier. The
charge-pump output can be QPVIN/2 or QPVIN depend-
ing on the amplitude of the output signal. When the out-
put voltage is low, the power-supply voltage is QPVIN/2.
When the output signal demands larger output voltage,
the charge pump switches modes so that a greater
power-supply voltage is realized and more output power
can be delivered to the load.
Second-generation DirectDrive technology improves
power consumption when compared to first-generation
DirectDrive amplifiers. The MAX97200 can be powered
from a regulated 1.8V and have similar power consump-
tion to a traditional DirectDrive amplifier that is powered
from 0.9V.
Maxim’s DirectDrive architecture uses an inverting
charge pump to derive a negative voltage supply. The
headphone amplifier is powered between the positive
supply and the generated negative rail. This scheme
allows the audio output signal to be biased about
ground, eliminating the need for large DC-blocking
capacitors between the amplifier output and the head-
phone load.
Low-output offset voltage provides very good click-and-
pop performance both into and out of shutdown. High
signal-to-noise ratio maintains system fidelity.
The MAX97200 is available in a tiny, 12-bump wafer
level packaging (WLP 1.27mm x 1.65mm) with a small,
0.4mm lead pitch and specified over the -40NC to +85NC
extended temperature range.
Applications
Cellular Phones
Smartphones
MP3 Players
VoIP Phones
DirectDrive is a registered trademark of Maxim Integrated
Products, Inc.
Dual Mode is a trademark of Maxim Integrated Products, Inc.
Features
S Second-Generation DirectDrive Technology
S Dynamic, Class H, Dual Mode Charge Pump
S Low Voltage Operation, VPVIN = 1.8V
S Low Quiescent Current, 1.15mA (typ) at VPVIN =
1.8V
S Eliminates Large Output DC-Blocking Capacitors
S Industry-Leading Click-and-Pop Performance
S High-Fidelity, SNR 105dB (5.6µV Output Noise)
S Output Power 34mW into 32I (THD+N 1%)
S Output Power 45mW into 16I (THD+N 10%)
S Tiny, 12-Bump, 1.27mm x 1.65mm (0.4mm Lead
Pitch) WLP Package
Ordering Information/
Selector Guide
Note: All devices operate over the -40°C to +85°C tempera-
ture range.
+Denotes a lead(Pb)-free and RoHS-compliant package.
Typical Operating Circuit
EVALUATION KIT
AVAILABLE
PART GAIN
(dB)
PIN-
PACKAGE
TOP
MARK
MAX97200AEWC+ 3 12 WLP ABF
MAX97200BEWC+ 0 12 WLP ABG
LEFT AUDIO
INPUT LEFT AUDIO OUTPUT
SHDN
RIGHT AUDIO
INPUT
RIGHT AUDIO
OUTPUT
CHARGE
PUMP
APPLICATIONS
PROCESSOR
MAX97200

Low-Power, Low-Offset, Dual Mode, Class H
DirectDrive Headphone Amplifier
MAX97200
2
Stresses beyond those listed under “Absolute Maximum Ratings” may cause permanent damage to the device. These are stress ratings only, and functional opera-
tion of the device at these or any other conditions beyond those indicated in the operational sections of the specifications is not implied. Exposure to absolute
maximum rating conditions for extended periods may affect device reliability.
PVIN or PVDD to PGND .......................................-0.3V to +2.2V
GND to PGND ......................................................-0.3V to +0.3V
PVSS to PGND .....................................................-2.2V to +0.3V
OUT_ and IN_ to GND ............. (PVSS - 0.2V) to (PVDD + 0.2V)
C1P, C1N ...................................................Cap connection only
SHDN to GND .........................................................-0.3V to +4V
Output Short-Circuit Current .....................................Continuous
Thermal Limits (Note 1)
Multiple Layer PCB
Continuous Power Dissipation (TA = +70NC)
12-Bump WLP (derate 13.7mW/NC above +70NC) ....1095mW
Junction Temperature .................................................+150NC
Operating Temperature Range .......................... -40NC to +85NC
Storage Temperature Range ............................ -65NC to +150NC
Soldering Temperature (reflow) ......................................+260NC
ELECTRICAL CHARACTERISTICS
(VPVIN = 1.8V, VPGND = VGND = 0V, VSHDN = 1.8V, C1 = C2 = C3 = 1FF, C4 = 10FF, TA = TMIN to TMAX, unless otherwise noted.
Typical values are at TA = +25NC.) (Note 2)
ABSOLUTE MAXIMUM RATINGS
Note 1: Package thermal resistances were obtained using the method described in JEDEC specification JESD51-7, using a four-
layer board. For detailed information on package thermal considerations, refer to www.maxim-ic.com/thermal-tutorial.
Junction-to-Ambient Thermal Resistance (BJA) ..............73NC/W
Junction-to-Case Thermal Resistance (BCA) ..................30NC/W
PACKAGE THERMAL CHARACTERISTICS (Note 1)
PARAMETER SYMBOL CONDITIONS MIN TYP MAX UNITS
POWER SUPPLY
Supply Voltage Range PVIN Guaranteed by PSRR 1.62 1.80 1.98 V
UVLO Rising 1.48 1.58 V
UVLO Falling 1.36 1.46 V
Quiescent Supply Current IDD Inputs grounded, TA = +25NC, no load 1.15 1.7 mA
16I load, inputs grounded, TA = +25NC1.16
Shutdown Current ISHDN VSHDN = 0V, TA = +25NC0.2 FA
Turn-On Time tON 0.6 1 ms
CHARGE PUMP
Oscillator Frequency fOSC1 VOUT = 0V, TA = +25NC78 83 88 kHz
Oscillator Frequency fOSC2 VOUT = 0.2V, RL = J, fIN = 1kHz 665 kHz
Oscillator Frequency fOSC3 VOUT = 0.5V, RL = J, fIN = 1kHz 500 kHz
Positive Output Voltage VPVDD VOUT = 0.2V, RL = J PVIN/2 V
VOUT = 0.5V, RL = J PVIN
Negative Output Voltage VPVSS VOUT = 0.2V, RL = J -PVIN/2 V
VOUT = 0.5V, RL = J -PVIN
Output Voltage Threshold VTH1
RL = J, output voltage at which the
charge pump switches modes, VOUT
rising, transition from 1/8 to normal
frequency
QPVIN
x
0.08
V

Low-Power, Low-Offset, Dual Mode, Class H
DirectDrive Headphone Amplifier
MAX97200
3
ELECTRICAL CHARACTERISTICS (continued)
(VPVIN = 1.8V, VPGND = VGND = 0V, VSHDN = 1.8V, C1 = C2 = C3 = 1FF, C4 = 10FF, TA = TMIN to TMAX, unless otherwise noted.
Typical values are at TA = +25NC) (Note 2)
PARAMETER SYMBOL CONDITIONS MIN TYP MAX UNITS
Output Voltage Threshold VTH2
RL = J, output voltage at which the
charge pump switches modes, VOUT
rising, transition from high-efficiency
mode to high-power mode
QPVIN
x
0.24
V
Charge-Pump Mode Transition
Timeouts (Figure 2)
tHOLD
Time it takes for the charge pump to
transition from high-power mode to
high-efficiency mode; RL = J
32 ms
tRISE
Time it takes for the charge pump to
transition from high-efficiency mode to high-
power mode (90% of its value); RL = J
20 Fs
AMPLIFIER
Voltage Gain AVMAX97200A 2.75 2.92 3.09 dB
MAX97200B -0.17 0 +0.17
Maximum Output Voltage RL = 10kI, THD+N = 1% 1.295 VPK
RL = 10kI, THD+N = 10% 1.44
Channel-to-Channel Gain
Matching Q0.1 dB
Total Output Offset Voltage VOS TA = +25NCQ0.1 Q0.3 mV
Input Resistance RIN MAX97200A 6 10 14 kI
MAX97200B 7.2 12 16.8
Power-Supply Rejection Ratio PSRR
VPVDD = 1.62V to 1.98V, TA = +25NC62 83
dB
100mVP-P ripple
fIN = 217Hz 96
fIN = 1kHz 94
fIN = 20kHz 61
Output Power POUT THD+N = 1%
RL = 10kI0.16
mW
RL = 32I34
RL = 16I45
Line Output Voltage VLINE RL = 10kI1 VRMS
Total Harmonic Distortion Plus
Noise THD+N
RL = 16I, POUT = 0.1mW, fIN = 1kHz (Note 3) 0.02
%
RL = 16I, POUT = 10mW, fIN = 1kHz (Note 4) 0.003
RL = 10kI, VOUT = 1V, fIN = 1kHz (Note 4) 0.008
Output Noise VNInputs grounded, A-weighted, MAX97200A 5.6 FV
Inputs grounded, A-weighted, MAX97200B 4.7
Signal-to-Noise Ratio SNR A-weighted, MAX97200B 105 dB
Click-and-Pop Level VCP
RL = 32I, peak
voltage, A-weighted,
32 samples/second,
MAX97200B
Into shutdown 80
dBV
Out of shutdown 68
Crosstalk XTALK RL = 16I, 1kHz, POUT = 5mW 100 dB
Maximum Capacitive Load 200 pF

Low-Power, Low-Offset, Dual Mode, Class H
DirectDrive Headphone Amplifier
MAX97200
4
ELECTRICAL CHARACTERISTICS (continued)
(VPVIN = 1.8V, VPGND = VGND = 0V, VSHDN = 1.8V, C1 = C2 = C3 = 1FF, C4 = 10FF, TA = TMIN to TMAX, unless otherwise noted.
Typical values are at TA = +25NC) (Note 2)
Note 2: All specifications are 100% tested at TA = +25NC. Temperature limits are guaranteed by design.
Note 3: VPVDD = 0.9V, VPVSS = -0.9V.
Note 4: VPVDD = 1.8V, VPVSS = -1.8V.
Typical Operating Characteristics
(VPVIN = 1.8V, VPGND = VGND = 0V, VSHDN = 1.8V, C1 = C2 = C3 = 1FF, C4 = 10FF, both channels driven in phase, TA = +25NC,
unless otherwise noted.)
THD+N vs. OUTPUT VOLTAGE
MAX97200 toc03
VOUT (VRMS)
THD+N (%)
2.01.51.00.50 2.5
0.01
0.1
1
10
100
0.001
fIN = 100Hz
fIN = 1kHz
RL = 10kI
fIN = 6kHz
THD+N vs. FREQUENCY
MAX97200 toc04
FREQUENCY (kHz)
THD+N (%)
1010.1
0.01
0.1
1
10
0.001
0.01 100
POUT = 20mW
POUT = 2mW
RL = 16I
POUT = 25mW
THD+N vs. FREQUENCY
MAX97200 toc05
FREQUENCY (kHz)
THD+N (%)
1010.1
0.01
0.1
1
10
0.001
0.01 100
POUT = 20mW
POUT = 2mW
RL = 32I
POUT = 25mW
THD+N vs. FREQUENCY
MAX97200 toc06
FREQUENCY (kHz)
THD+N (%)
1010.1
0.01
0.1
1
10
0.001
0.01 100
VOUT = 0.316VRMS
VOUT = 0.868VRMS VOUT = 1.12VRMS
RL = 10kI
THD+N vs. OUTPUT POWER
MAX97200 toc02
POUT (mW)
THD+N (%)
5040302010
0.01
0.1
1
10
100
0.001
06
0
fIN = 100Hz
fIN = 6kHz
fIN = 1kHz
RL = 32I
THD+N vs. OUTPUT POWER
MAX97200 toc01
POUT (mW)
THD+N (%)
70605040302010
0.01
0.1
1
10
100
0.001
08
0
RL = 16I
fIN = 100Hz
fIN = 6kHz
fIN = 1kHz
PARAMETER SYMBOL CONDITIONS MIN TYP MAX UNITS
DIGITAL INPUT (SHDN)
Input High Voltage VIH 1.4 V
Input Low Voltage VIL 0.4 V
Input Leakage Current IIH VSHDN = 4V, TA = +25NC-1 +1
FA
VSHDN = 1.8V, TA = +25NC -1 +1
IIL VSHDN = 0V, TA = +25NC -1 +1
Low-Power, Low-Offset, Dual Mode, Class H
DirectDrive Headphone Amplifier
MAX97200
5
Typical Operating Characteristics (continued)
(VPVIN = 1.8V, VPGND = VGND = 0V, VSHDN = 1.8V, C1 = C2 = C3 = 1FF, C4 = 10FF, both channels driven in phase, TA = +25NC,
unless otherwise noted.)
OUTPUT POWER
vs. LOAD RESISTANCE
MAX97200 toc07
LOAD RESISTANCE (I)
OUTPUT POWER (mW)
100010010
10
20
30
40
50
60
70
80
0
1 10,000
10% THD + N
1% THD + N
OUTPUT POWER vs. LOAD RESISTANCE
AND CHARGE-PUMP CAPACITOR
MAX97200 toc08
LOAD RESISTANCE (I)
OUTPUT POWER (mW)
1000100
10
20
30
40
50
60
70
80
0
10 10,000
C1 = C2 = C3 = 2.2µF
C1 = C2 = C3 = .47µF
C1 = C2 = C3 = 1µF
SUPPLY CURRENT
vs. SUPPLY VOLTAGE
MAX97200 toc11
SUPPLY VOLTAGE (V)
SUPPLY CURRENT (mA)
1.951.901.65 1.70 1.75 1.80 1.85
0.85
0.90
0.95
1.00
1.05
1.10
1.15
1.20
RL = J
0.80
1.60 2.00
SHUTDOWN SUPPLY CURRENT
vs. SUPPLY VOLTAGE
MAX97200 toc12
SUPPLY VOLTAGE (V)
SUPPLY CURRENT (µA)
1.951.901.80 1.851.70 1.751.65
0.02
0.04
0.06
0.08
0.1
0.12
0.14
0.16
0.18
0.20
0
1.60 2.00
RL = J
POWER-SUPPLY REJECTION RATIO
vs. FREQUENCY
MAX97200 toc13
FREQUENCY (kHz)
PSRR (dB)
1010.1
-100
-80
-60
-40
-20
0
-120
0.01 100
VRIPPLE = 200mVP-P
CROSSTALK (dB)
-80
-70
-60
-50
-40
-30
-20
-10
0
-120
-100
-110
-90
CROSSTALK vs. FREQUENCY
5mW 16I
MAX97200 toc14
FREQUENCY (Hz)
10k1k100
10 100k
OUTPUT POWER = 5mW
RL = 16I
POWER CONSUMPTION
vs. OUTPUT POWER
MAX97200 toc09
OUTPUT POWER (mW)
POWER CONSUMPTON (mW)
10
20
40
60
80
100
120
140
160
0
1 100
POWER DISSIPATION
vs. OUTPUT POWER
MAX97200 toc10
OUTPUT POWER (mW)
POWER DISSIPATION (mW)
10
10
20
30
40
50
60
70
80
90
100
0
1 100
RL = 32I
RL = 16I
IN-BAND OUTPUT SPECTRUM
MAX97200 toc15
FREQUENCY (Hz)
OUTPUT MAGNITUDE (dBV)
1010.1
-140
-120
-100
-80
-60
-40
-20
0
-160
0.01 100
f = 1kHz
m
\
x
v
Low-Power, Low-Offset, Dual Mode, Class H
DirectDrive Headphone Amplifier
MAX97200
6
Typical Operating Characteristics (continued)
(VPVIN = 1.8V, VPGND = VGND = 0V, VSHDN = 1.8V, C1 = C2 = C3 = 1FF, C4 = 10FF, both channels driven in phase, TA = +25NC,
unless otherwise noted.)
MAX97200 toc17
OUTPUT
400µs/div
SHDN
TURN-ON RESPONSE
MAX97200 toc16
20ms/div
SUPPLY MODE SWITCHING
PVDD
PVSS
RL = 16I
MAX97200 toc18
OUTPUT
400µs/div
SHDN
TURN-OFF RESPONSE
Low-Power, Low-Offset, Dual Mode, Class H
DirectDrive Headphone Amplifier
MAX97200
7
Pin Configuration
Pin Description
BUMP NAME FUNCTION
A1 OUTR Right Amplifier Output
A2 PVSS Negative Charge-Pump Output. Connect a 1FF capacitor between PVSS and PGND.
A3 C1N Charge-Pump Flying Cap Negative Connection. Connect 1FF capacitor between C1N and C1P.
A4 C1P Charge-Pump Flying Cap Positive Connection. Connect 1FF capacitor between C1P and C1N.
B1 OUTL Left Amplifier Output
B2 SHDN Active-Low Shutdown
B3 GND Signal Ground. Connect to PGND.
B4 PGND Power Ground. Connect to GND.
C1 INL Left Audio Input
C2 INR Right Audio Input
C3 PVDD Positive Charge-Pump Output. Bypass to PGND with 1FF.
C4 PVIN Main Power-Supply Connection. Bypass to PGND with 10FF.
WLP
TOP VIEW
PVININL
PGNDOUTL
C1POUTR
MAX97200
1 2 34
A
INR PVDD
SHDN GND
PVSS C1N
B
C
Low-Power, Low-Offset, Dual Mode, Class H
DirectDrive Headphone Amplifier
MAX97200
8
Detailed Description
The MAX97200 is a 45mW Class H headphone ampli-
fier that runs from a single low 1.8V supply voltage
and employs Maxim’s second-generation DirectDrive
technology.
Maxim’s DirectDrive architecture uses an inverting
charge pump to derive a negative voltage supply. The
headphone amplifier is powered between the positive
supply and the generated negative rail. This scheme
allows the audio output signal to be biased about
ground, eliminating the need for large DC blocking
capacitors between the amplifier output and the head-
phone load.
Second-generation DirectDrive technology improves
power consumption when compared to first-generation
DirectDrive amplifiers. The MAX97200 can be powered
from a regulated 1.8V supply and have similar power
consumption to a traditional DirectDrive amplifier that is
powered from 0.9V.
The MAX97200 features a dual-mode internal charge
pump to generate the power rails for the DirectDrive
amplifier. The charge-pump output can be QPVIN/2 or
QPVIN depending on the amplitude of the output signal.
When the output voltage is low the power-supply volt-
age is QPVIN/2. When the output signal demands larger
output voltage, the charge pump switches modes so
that a greater power-supply voltage is realized and more
output power can be delivered to the load.
DirectDrive Headphone Amplifier
Traditional single-supply headphone amplifiers have
outputs biased at a nominal DC voltage (typically half
the supply). Large coupling capacitors are needed to
block this DC bias from the headphone. Without these
capacitors, a significant amount of DC current flows to
the headphone, resulting in unnecessary power dis-
sipation and possible damage to both headphone and
headphone amplifier.
Maxim’s second-generation DirectDrive architecture
uses a charge pump to create an internal negative sup-
ply voltage. This allows the headphone outputs of the
MAX97200 to be biased at GND while operating from a
single supply (Figure 1). Without a DC component, there
is no need for the large DC-blocking capacitors. Instead
of two large (220FF typ) capacitors, the MAX97200
charge pump requires 3 small ceramic capacitors, con-
serving board space, reducing cost, and improving the
frequency response of the headphone amplifier.
Figure 1. Traditional Amplifier vs. MAX97200 DirectDrive
Output
VOUT
VOUT
VDD / 2
GND
VDD
+VDD
GND
-VDD
CONVENTIONAL DRIVER BIASING SCHEME
DirectDrive BIASING SCHEME
VDD
2VDD

Low-Power, Low-Offset, Dual Mode, Class H
DirectDrive Headphone Amplifier
MAX97200
9
Dual Mode Charge Pump
The MAX97200’s Dual Mode, charge pump outputs
either QPVIN/2 in high-efficiency mode or QPVIN in high-
power mode, resulting in a power-supply differential of
1.8V or 3.6V. The charge-pump mode changes based
on the level of the output signal needed. When the
output voltage is small, the voltage rails are reduced to
minimize power consumption. When the output voltage
is large, the voltage rails are increased to accommodate
the larger output need.
High-power mode is similar to Maxim’s traditional
DirectDrive architecture and is best suited for loads
that require high voltage swing. High-efficiency mode
improves power consumption by reducing the power-
supply voltage across the amplifier’s output stage by
half. The reduced power-supply voltage is good for idle
conditions or low-signal level conditions into a head-
phone.
Class H Operation
The MAX97200’s internal Class H amplifier uses a class
AB output stage with multiple, discrete power supplies.
This result’s in two power-supply differentials of 1.8V and
3.6V generated from a single 1.8V external supply. The
PVIN/2 power-supply differential is used when the output
voltage requirements are low, and the output is below
VTH2 as seen in Figure 2. The higher supply differential
is used when the output voltage exceeds the high
threshold VTH2, maximizing output power and voltage
swing. The transition time from high-efficiency mode to
high-power mode occurs when the threshold is crossed.
The switch from high-power mode to high-efficiency
mode occurs 32ms (typ) after the threshold is crossed.
Built-in hysteresis keeps the charge pump from erratic
mode switching when the output voltage is near the high
and low thresholds.
Click-and-Pop Suppression
In conventional single-supply audio amplifiers, the out-
put-coupling capacitor contributes significantly to audi-
ble clicks and pops. Upon startup, the amplifier charges
the coupling capacitor to its bias voltage, typically half
the supply. Likewise, on shutdown, the capacitor is dis-
charged. This results in a DC shift across the capacitor,
which appears as an audible transient at the speaker.
Since the MAX97200 does not require output coupling
capacitors, this problem does not arise. Additionally,
the MAX97200 features extensive click-and-pop sup-
pression that eliminates any audible transient sources
internal to the device.
Typically, the output of the device driving the MAX97200
has a DC bias of half the supply voltage. At startup, the
input-coupling capacitor, CIN, is charged to the pream-
plifier’s DC bias voltage through the MAX97200 input
resistor, RIN. This DC shift across the capacitor results
in an audible click-and-pop. The MAX97200 precharges
the input capacitors when power is applied to ensure
that no audible clicks or pops are heard when SHDN is
pulled high.
Shutdown
The MAX97200 features a 1FA, low-power shutdown
mode that reduces quiescent current consumption and
extends battery life. Shutdown is controlled by the SHDN
input. Driving the SHDN input low disables the drive
amplifiers and charge pump and sets the headphone
amplifier output resistance to 100I.
Applications Information
Component Selection
Input-Coupling Capacitor
The input capacitor (CIN), in conjunction with the ampli-
fier input resistance (RIN_), forms a highpass filter that
removes the DC bias from the incoming signal. The
AC-coupling capacitor allows the amplifier to bias the sig-
nal to an optimum DC level. Assuming zero source imped-
ance, the -3dB point of the highpass filter is given by:
3dB IN IN
1
f- 2R C
=π
Figure 2. Inverting and Split Mode Transitions
10ms/div
VPVDD
VPVSS
IN_

Low-Power, Low-Offset, Dual Mode, Class H
DirectDrive Headphone Amplifier
MAX97200
10
RIN is the amplifier’s input resistance value. Choose CIN
such that f-3dB is well below the lowest frequency of
interest. Setting f-3dB too high affects the amplifier’s low
frequency. Capacitors with higher voltage coefficients,
such as ceramics, result in increased distortion at low
frequencies.
Charge-Pump Capacitor Selection
Use capacitors with an ESR less than 100mI for opti-
mum performance. Low ESR ceramic capacitors mini-
mize the output resistance of the charge pump. For best
performance over the extended temperature range,
select capacitors with an X7R dielectric.
Flying Capacitor (C1)
The value of the flying capacitor (C1) affects the load
regulation and output resistance of the charge pump. A
C1 value that is too small degrades the device’s ability
to provide sufficient current drive, which leads to a loss
of output voltage. Connect a 1FF capacitor between C1P
and C1N.
Output Capacitors (C2, C3)
The output capacitor value and ESR directly affect the
ripple at PVSS. Increasing the value of C2 and C3 reduc-
es output ripple. Likewise, decreasing the ESR of C2 and
C3 reduces both ripple and output resistance. Lower
capacitance values can be used in systems with low
maximum output power levels. Connect a 1FF capaci-
tor between PVDD and PGND. Connect a 1FF capacitor
between PVSS and PGND.
RF Susceptibility
Improvements to both layout and component selec-
tion can decrease the MAX97200 susceptibility to RF
noise and prevent RF signals from being demodulated
into audible noise. Trace lengths should be kept below
¼ of the wavelength of the RF frequency of interest.
Minimizing the trace lengths prevents the traces from
functioning as antennas and coupling RF signals into the
MAX97200. The wavelength (λ) in meters is given by:
λ = c/f
where c = 3 x 108 m/s, and f is the RF frequency of
interest.
Route audio signals to the middle layers of the PCB to
allow the ground planes above and below to shield them
from RF interference. Ideally, the top and bottom layers
of the PCB should primarily be ground planes to create
effective shielding.
Additional RF immunity can also be obtained from rely-
ing on the self-resonant frequency of capacitors as
it exhibits the frequency response similar to a notch
filter. Depending on the manufacturer, 10pF to 20pF
capacitors typically exhibit self resonance at RF frequen-
cies. These capacitors when placed at the input pins
can effectively shunt the RF noise at the inputs of the
MAX97200. For these capacitors to be effective, provide
a low-impedance, low-inductance path from the capaci-
tors to the ground plane. Do not use microvias to con-
nect to the ground plane as these vias do not conduct
well at RF frequencies. Figure 3 shows headphone RF
immunity with a well laid out PCB.
Layout and Grounding
Proper layout and grounding are essential for optimum
performance. Use large traces for the power-supply
inputs and amplifier outputs to minimize losses due to
parasitic trace resistance, as well as route heat away
from the device. Good grounding improves audio per-
formance, minimizes crosstalk between channels, and
prevents switching noise from coupling into the audio
signal. Connect PGND and GND together at a single
point on the PCB. Route PGND and all traces that carry
switching transients away from GND, and the traces and
components in the audio signal path.
Connect C2 to the PGND plane. Place the charge-pump
capacitors (C1, C2) as close as possible to the device.
Bypass PVDD with a 1FF capacitor to PGND. Place the
bypass capacitors as close as possible to the device.
Figure 3. Headphone RF Immunity
HEADPHONE RF IMMUNITY
vs. FREQUENCY
FREQUENCY (MHz)
OUTPUT NOISE (dBV)
250020001500
-90
-80
-70
-60
-50
-40
-30
-20
-10
0
-100
1000 3000
LEFT CHANNEL
RIGHT CHANNEL
L;
fiETT
Low-Power, Low-Offset, Dual Mode, Class H
DirectDrive Headphone Amplifier
MAX97200
11
Chip Information
PROCESS: BiCMOS
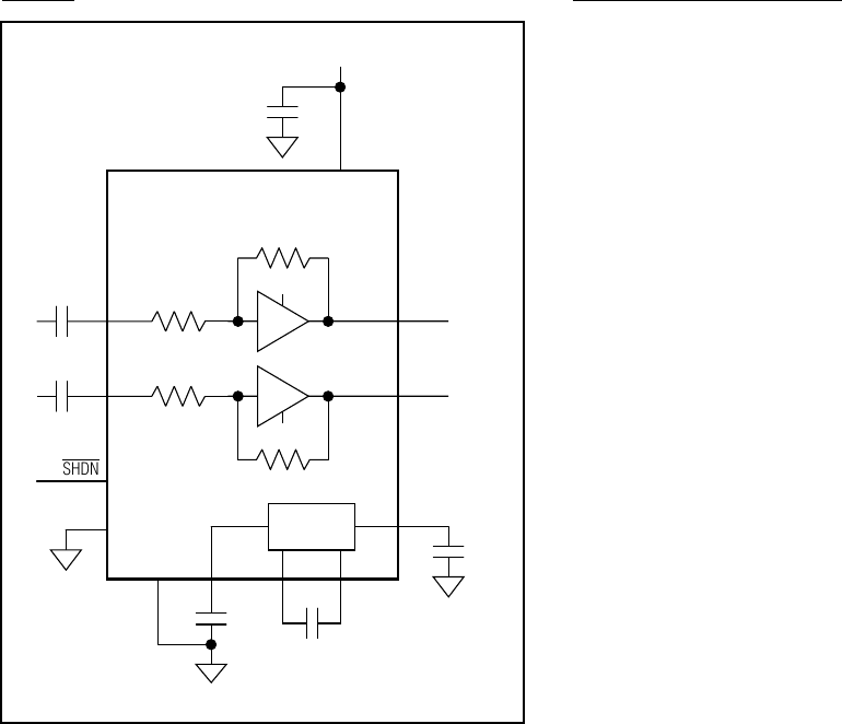
Simplified Functional Diagram
C4
10µF
C2
1µF
C1
1µF
RIN
RFB
C1 B1 OUTL
C4
INL
PVDD
PVIN
1.8V
RIN
RFB
C2 A1 OUTRINR
B3
B4
C1P
A4
C1N
C3 A3
C3
1µF
PVDDPGND
A2 PVSS
GND
PVSS
CHARGE
PUMP
B2
SHDN
MAX97200
Pm 1 _ E _ Murkmg :
\ndwcmov :
A + I
AAAA 3 ¢ :
I
see mm 7
n)? vwa SIDE vwa
7 [VI/JXI/VI
\ H/
Low-Power, Low-Offset, Dual Mode, Class H
DirectDrive Headphone Amplifier
MAX97200
12
Package Information
For the latest package outline information and land patterns (footprints), go to www.maxim-ic.com/packages. Note
that a “+”, “#”, or “-” in the package code indicates RoHS status only. Package drawings may show a different suffix
character, but the drawing pertains to the package regardless of RoHS status.
PACKAGE TYPE PACKAGE CODE OUTLINE NO. LAND
PATTERN NO.
12 WLP W121A1+1 21-0449 Refer to Application Note 1891
e
SE
E1
D1
b
SD
B
A
E
D
Pin 1
Indicator
Marking
A3
A
A2
A1
see Note 7
0.05
S
S
SIDE VIEW
TOP VIEW
BOTTOM VIEW
A
1
21-0449
0.64
0.19
0.45
0.025
0.27
0.80
1.20
0.40
0.00
0.20
W121A1+1
A
1
AAAA
C
B
4
3
2
PACKAGE OUTLINE 12 BUMPS,
WLP PKG. 0.40mm PITCH
W121F1+1
0.05
M S
AB
TITLE
DOCUMENT CONTROL NO.
REV.
1
1
APPROVAL
COMMON DIMENSIONS
A
A2
A1
A3
b
E1
D1
e
SD
SE
0.05
0.03
0.03
BASIC
REF
BASIC
E
D
PKG. CODE
DEPOPULATED
BUMPS
NONE
NOTES:
1. Terminal pitch is defined by terminal center to center value.
2. Outer dimension is defined by center lines between scribe lines.
3. All dimensions in millimeter.
4. Marking shown is for package orientation reference only.
5. Tolerance is ± 0.02 unless specified otherwise.
6. All dimensions apply to PbFree (+) package codes only.
7. Front - side finish can be either Black or Clear.
BASIC
BASIC
- DRAWING NOT TO SCALE -
E
BASIC
BASIC
1.680 0.070 1.300 0.070
NONE
1.625 0.015 1.235 0.015

Low-Power, Low-Offset, Dual Mode, Class H
DirectDrive Headphone Amplifier
MAX97200
Maxim cannot assume responsibility for use of any circuitry other than circuitry entirely embodied in a Maxim product. No circuit patent licenses are implied.
Maxim reserves the right to change the circuitry and specifications without notice at any time. The parametric values (min and max limits) shown in the Electrical
Characteristics table are guaranteed. Other parametric values quoted in this data sheet are provided for guidance.
Maxim Integrated Products, Inc. 160 Rio Robles, San Jose, CA 95134 USA 1-408-601-1000 13
© 2012 Maxim Integrated Products Maxim is a registered trademark of Maxim Integrated Products, Inc.
Revision History
REVISION
NUMBER
REVISION
DATE DESCRIPTION PAGES
CHANGED
0 1/10 Initial release —
1 3/10 Removed shutdown current max value 2
2 3/11 Corrected crosstalk data in TOC 14 5
3 8/12 Updated output noise conditions and TOC 14 3, 5
Products related to this Datasheet
IC AMP CLASS H STEREO 45MW 12WLP
KIT EVALUATION FOR MAX97200
IC AMP CLASS H STEREO 45MW 12WLP
IC AMP CLASS H STEREO 45MW 12WLP
IC AMP CLASS H STEREO 45MW 12WLP